There are three main coupling methods: 1) resistive coupling, 2) inductive coupling, and 3) capacitive coupling.
Resistive coupling
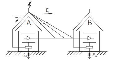
When lightning strikes the air terminal of a building A or the ground near it, the ground potential near the building increases rapidly. Due to the large earth resistance, a huge surge current will flow through the connecting wires of electronic equipment between A and B, causing equipment damage.

Inductive coupling
When lightning discharges through the external lightning protection system of a building (such as an air terminal), the electromagnetic field generated by the huge lightning current will induce destructive surges on the cable lines connecting the electronic equipment inside the building.

Capacitive coupling
There exists distributed capacitance between thunderclouds and ground facilities such as storage tanks and high-voltage transmission lines. When a large amount of charge accumulates in the thundercloud, a large amount of opposite charges will be induced on the ground facilities. After the lightning occurs, the charges in the thundercloud quickly disappear, and the induced charges on the equipment are released, resulting in overvoltage.

Since lightning damage mainly occurs in two ways: direct lightning strikes and indirect lightning strikes, the lightning protection system (LPS) consists of external lightning protection systems and internal lightning protection systems to protect against lightning damage.
Direct lightning strike protection
The external lightning protection system is designed to prevent accidents caused by direct lightning strikes. It usually consists of air terminals (lightning rods, lightning strips, lightning nets), down conductors, and grounding devices.
Air terminals: Metal components, such as rods, mesh conductors, or suspension wires, are used to intercept lightning strikes.
Down conductors: Used to guide the lightning current of the air terminal to the grounding system.
Grounding device: Used to guide and disperse the lightning current to the earth.
Indirect lightning strike protection
The internal lightning protection system is mainly used for lightning protection of electrical and electronic systems inside buildings. An electronic system refers to a system composed of sensitive electronic components (such as communication equipment, computers, control and instrument systems, radio systems, and power electronics devices). The measures taken mainly include installing SPDs, equipment shielding, reasonable wiring, and arranging grounding systems.
According to the characteristics of the building's electrical and electronic information system, environmental factors, lightning activity rules, the lightning protection zone where the equipment is located, the system's resistance to lightning electromagnetic pulses, the degree of damage caused by lightning accidents, and the importance of system equipment, corresponding protection measures are taken. Comprehensive protection measures, such as direct lightning strike protection (against direct lightning strikes) and indirect lightning strike protection (against induced lightning), are adopted. Comprehensive lightning protection device includes several major technologies: direct lightning protection; shielding; equipotential connection; reasonable wiring; and SPD installation.
Comprehensive lightning protection diagram:

Lightning protection zones
According to the level of lightning risk, the space is divided into different lightning protection zones (LPZ), which are classified as follows:
LPZ0A: Represents an area without any protection and is threatened by direct lightning strikes and all lightning electromagnetic pulses.
LPZ0B: Represents an area with no risk of direct lightning strikes but is threatened by all lightning electromagnetic pulses.
LPZ1: Represents that there is no risk of direct lightning strike in this area, and the internal lightning electromagnetic pulse has been attenuated after shielding.
LPZ2~n: Represents that there is no risk of direct lightning strike in this area, and the internal lightning electromagnetic pulse continues to attenuate after being shielded again.
SPDs are generally installed at the junction of different lightning protection zones, and the corresponding SPD can be selected according to the lightning protection zone where the SPD is located.
Electronic information systems require all-round lightning protection, including protection for power supply, I/O signal, telephone, Ethernet, video, field instrument and other equipment and interface configuration corresponding SPD.
CHENZHU SPD configuration diagram:
