The frequency transducer, frequency signal will be set according to the user to convert the linear range 4~20mA( or 1~20mA) output.
This transducer signal conditioning equipment has one relay alarm output. This product need be supplied independently, and the power supply, input and output are isolated from each other.
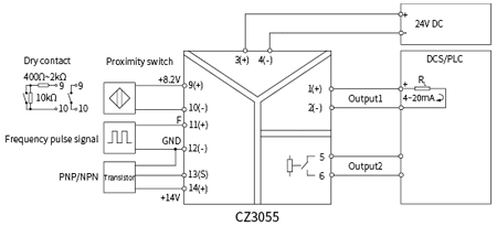
24V DC independent power supply
Acquisition of NPN, PNP, NAMUR, and frequency signals Line fault detection(LFD)
Configurable by software(CZ3055) or membrane keypad(CZ3355)
LED display(CZ3355)
| CZ3055 1/1 | CZ3355 1/3 | |
| PNP / NPN Transistor | Power distribution:14V,current<20mA | Power distribution:14V,current<20mA |
| Voltage Pulse Source | Max. Input voltage:30V | Max. Input voltage:30V |
| Switch/Proximity Switch | Power distribution≈8V,Short-circuit current≈8mA | Power distribution≈8V,Short-circuit current≈8mA |
| Frequency Range / Pulse Width | 0.1Hz~100kHz/≥2μs | 0.1Hz~100kHz/≥2μs |
| Output Current/Load Resistance | 0~20mA,4~20mA / RL ≤400Ω | 0~20mA,4~20mA / RL ≤400Ω |
| Output Voltage/Load Resistance | 0~5V,1~5V / RL≥300kΩ | 0~5V,1~5V / RL≥300kΩ |
| Relay Output | 1*SPST | 2*SPST |
| Contact Rating | 250V AC,2A / 30V DC,2A;Resistive load | 250V AC,2A / 30V DC,2A;Resistive load |
| Response Time @100kHz input(0~90%) | ≤20ms | ≤20ms |
| Supply Voltage | 20~35V DC | 20~35V DC |
| Power Reverse Protection | Support | Support |
| Current Consumption(Supply voltage: 24V) | ≤90mA | ≤110mA |
| Conversion Accuracy | 0.1%F.S.(Typical≤0.05%F.S.) | 0.1%F.S.(Typical≤0.05%F.S.) |
| Temperature Drift | 0.01% F.S./℃ | 0.01% F.S./℃ |
| Dielectric Strength | 1500V AC;1min | 1500V AC;1min |
| Insulation Resistance | ≥100MΩ;500V DC | ≥100MΩ;500V DC |
| EMC Standards | GB/T 18268(IEC 61326-1) | GB/T 18268(IEC 61326-1) |
| Ambient Temperature | -20℃~+60℃ | -20℃~+60℃ |
| Suitable Field Apparatus | NAMUR proximity switch,dry contact,frequency generator, PNP/NPN transistor outputs according to DIN 19234 standards | NAMUR proximity switch,dry contact,frequency generator, PNP/NPN transistor outputs according to DIN 19234 standards |


