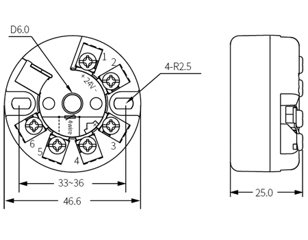
CHENZHU temperature transmitter,delivers the field thermocouple(TC) or thermal resistance(RTD) signal by digital linearization, converted to linearly with temperature of 4~20mA current and output isolated.
Supply voltage(Ue) of this temperature transmitter type:12~30VDC and support loop powered.
| CZWB010 | CZWB020 | CZWB030 | |
| Input signal | Pt100,Cu100,Cu50 | T、E、J、K、N、R、S、B | Pt100,Cu100,Cu50 T、E、J、K、N、R、S、B |
| Compensation range | -20℃~+60℃ | -20℃~+60℃ | |
| Cold junction compensation accuracy | ±1℃ | ±1℃ | |
| Output current | 4~20mA | 4~20mA | 4~20mA |
| Current output load resistance | RL≤(Ue-12)/0.021 | RL≤(Ue-12)/0.021 | RL≤(Ue-12)/0.021 |
| Alarm indication | IH≈20.8mA/IL≈3.8mA | IH≈20.8mA/IL≈3.8mA | IH≈20.8mA/IL≈3.8mA |
| Supply voltage(Ue) | 12~30V DC | 12~30V DC | 12~30V DC |
| Power supply mode | Loop powered | Loop powered | Loop powered |
| Temperature drift | 0.01%F.S./℃ | 0.01%F.S./℃ | 0.01%F.S./℃ |
| Response time | Reach 90% of final value in 1s | Reach 90% of final value in 1s | Reach 90% of final value in 1s |
| Electromagnetic compatibility | GB/T 18268(IEC 61326-1) | GB/T 18268(IEC 61326-1) | GB/T 18268(IEC 61326-1) |
| Ambient temperature | -40℃~+85℃ | -40℃~+85℃ | -40℃~+85℃ |
| CZWB110 | CZWB120 | CZWB130 | |
| Input signal | Pt100,Cu100,Cu50 | T、E、J、K、N、R、S、B | Pt100,Cu100,Cu50 T、E、J、K、N、R、S、B |
| Compensation range | -20℃~+60℃ | -20℃~+60℃ | |
| Cold junction compensation accuracy | ±1℃ | ±1℃ | |
| Output current | 4~20mA | 4~20mA | 4~20mA |
| Current output load resistance | RL≤(Ue-12)/0.021 | RL≤(Ue-12)/0.021 | RL≤(Ue-12)/0.021 |
| Alarm indication | IH≈20.8mA/IL≈3.8mA | IH≈20.8mA/IL≈3.8mA | IH≈20.8mA/IL≈3.8mA |
| Supply voltage(Ue) | 12~30V DC | 12~30V DC | 12~30V DC |
| Power supply mode | Loop powered | Loop powered | Loop powered |
| Temperature drift | 0.01%F.S./℃ | 0.01%F.S./℃ | 0.01%F.S./℃ |
| Response time | Reach 90% of final value in 1s | Reach 90% of final value in 1s | Reach 90% of final value in 1s |
| Dielectric strength(between input and output ) | 1500V DC;1min | 1500V DC;1min | 1500V DC;1min |
| Insulation resistance | ≥100MΩ | ≥100MΩ | ≥100MΩ |
| Electromagnetic compatibility | GB/T 18268(IEC 61326-1) | GB/T 18268(IEC 61326-1) | GB/T 18268(IEC 61326-1) |
| Ambient temperature | -40℃~+85℃ | -40℃~+85℃ | -40℃~+85℃ |

