CZ3500 range rail-powered signal conditioners are high-performance products. The new design concept and technology are perfectly combined to achieve various performance characteristics, such as high-precision, small-volume, easy installation and high interference suppression, ensuring more convenient system integration and more reliable operation.
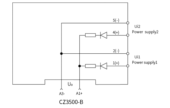
Redundant Power Supply
Redundant power supply to the module is achieved when the rail is powered, ensuring safety automation system.
Strong EMC Performance
Specially designed high dielectric strength transformer achieves reliable galvanic isolation and anti-interference among power supply, input, and output.
High Conversion Accuracy
The electromagnetic isolation technology is used to directly and efficiently convert the signal, and the precision is better than 0.05% F.S.
Bus Powered
This type of signal conditioning system reduces installation costs and make wiring easier.
Easy to Configure
Configure the parameters via software easily and quickly











