Pulse voltage input signal conditioners transfer the pulse voltage signal and provide isolated power supply for field instruments. The input adopts hysteresis comparison circuit and has high anti-interference performance. It has two output way: pulse voltage output and transistor output.
This 5v to 24v plc signal converter needs an independent power supply and galvanic isolation among power supply, input and output.
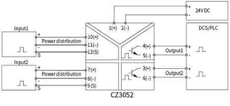
24V DC independent power supply
PNP/NPN transistor output or voltage pulse output
| CZ3051 1/1 | CZ3052 2/2 | CZ3053 1/2 | |
| Frequency Range | ≤10kHz,Duty cycle≥30% | ≤10kHz,Duty cycle≥30% | ≤10kHz,Duty cycle≥30% |
| Pulse Voltage Level | 4V≤VH≤12V,VL≤1V | 4V≤VH≤12V,VL≤1V | 4V≤VH≤12V,VL≤1V |
| Distribution Voltage(Specify when ordering) | No power distribution 5V or 12V or 24V@20mA | No power distribution 5V or 12V or 24V@20mA | No power distribution 5V or 12V or 24V@20mA |
| External Supply Voltage Vcc (Transistor output) | ≤35V DC | ≤35V DC | ≤35V DC |
| Max.on-stage Current(Transistor output) | ≤35mA | ≤35mA | ≤35mA |
| Transistor Collector Output | VH:Vcc,VL :≤2.5V | VH:Vcc,VL :≤2.5V | VH:Vcc,VL :≤2.5V |
| Pull-up Resistance | 2kΩ≤RL ≤20kΩ | 2kΩ≤RL ≤20kΩ | 2kΩ≤RL ≤20kΩ |
| Transistor Emitter Output | VH:Vcc-2.5V,VL :≤0.5V | VH:Vcc-2.5V,VL :≤0.5V | VH:Vcc-2.5V,VL :≤0.5V |
| Pull-down Resistance | 2kΩ≤RL ≤10kΩ | 2kΩ≤RL ≤10kΩ | 2kΩ≤RL ≤10kΩ |
| Voltage Pulse Output | VH:4.5V≤VH≤24V,VL :≤0.5V | VH:4.5V≤VH≤24V,VL :≤0.5V | VH:4.5V≤VH≤24V,VL :≤0.5V |
| Load Resistance | RL ≥1kΩ | RL ≥1kΩ | RL ≥1kΩ |
| Supply Voltage | 20~35V DC | 20~35V DC | 20~35V DC |
| Power Reverse Protection | Support | Support | Support |
| Current Consumption (Supply voltage:24V, no power distribution) | ≤30mA | ≤55mA | ≤50mA |
| Dielectric Strength | 1500V AC;1min | 1500V AC;1min | 1500V AC;1min |
| Insulation Resistance | ≥100MΩ | ≥100MΩ | ≥100MΩ |
| EMC Standards | GB/T 18268(IEC 61326-1) | GB/T 18268(IEC 61326-1) | GB/T 18268(IEC 61326-1) |
| Ambient Temperature | -20℃~+60℃ | -20℃~+60℃ | -20℃~+60℃ |
| Suitable Field Apparatus | 2-or 3-wire voltage pulse source | 2-or 3-wire voltage pulse source | 2-or 3-wire voltage pulse source |



